● 実験テーマ161
「WQVGAカラー液晶モジュールのキャリー基板を、Eagleで製作してみました」
(現在aitendoで在庫無しのキャリー基板を製作。液晶モジュールは3.2inchTFT:S95461C)
■ 2025.06.25
・今年のaitendo福BOXに入っていた3.2inchTFTカラー液晶モジュールの表示実験をしようと思うのだが、
これのキャリー基板が在庫切れ。
Eagleで自作することにした。(この液晶モジュールも250718時点で、在庫切れになってました。)
・NotePCでのEagle作業は、2回目
1回目は去年8月の「充放電マネージャー」プロジェクトなので1年ぶり
思い出しながらの作業になりそう・・・
■ 250627〜
250705
・「接栓部の角型パッド44pin」を部品ライブラリに新規追加
@ LCD_SQUARE_PAD_44PIN.dev→ 250703済
A LCD_SQUARE_PAD_44PIN.sym→ 250627済
・>NAME=「WQVGA_LCD1」
・>VALUE=「LCD_SQUARE_PAD_44PIN」
→ ※ >VALUEは、回路図上にシンボルを置いた時、登録時のsym名になるので
LCD_SQUARE_PAD_44PINと表示される。(確かにこの方がフレキ部と分かるので)
今回もこのままで行く。コメントでこのフレキ部が付いているlcdの名称「3.2inch TFT S95461C-AAA」を
入れることにする。
B LCD_0.8MM_PITCH_SQUARE_PAD_44PIN.pac→ 250702済

・「ピンヘッダ22pin1列」を部品ライブラリに追加(このコネクタは実装しないでチェックポイントといて使用予定)
@ 22X1_PIN_HEADER.sym
既存の14X1_PIN_HEADER.symを元に修正して作成済
A 22X1_PIN_HEADER.pac
既存の14X1_PIN_HEADER.pacを元に修正して作成済
B 2130S1X22GSE.dev→ 250704済

・「ピンソケット22pin2列」を部品ライブラリに追加
@ 22X2_PIN_SOCKET.sym
既存の14X1_PIN_HEADER.symを元に修正して作成済
A 22X2_PIN_SOCKET.pac
既存の14X1_PIN_HEADER.pacを元に修正して作成済
B FH-2X22SG.dev→ 250705済

■ 250708
・回路図作成済み後
@ まずは目視でイージーネットミスないか確認→ 抜け1箇所有り:CN1-41:GND
A ERCも問題なし(warningは全て承認)

B NET LISTチェック OK
■ 250710〜 250711
・BOARD設計に入る。
(1) 外形を決め、取付穴+禁止帯+部品配置まで→ 済

・フットプリント現物でチェック ok

■ 250712
・ベタ生成を含め、シルク追加整理・ビアのテンティング・DRCチェックまでのEagle作業終了

■ 250714
<ガーバ作成作業に移る>
@ fusion pcb向けの「cam」ソフト(Seed_Gerber_Generater_2-layer.cam)を使用し作成
A 8つのファイルをzipしたフォルダを作成
B シルク太さをガーバ上で修正

C gerbvに読み込ませる。→ 問題なさそう。

・FusionPCB発注作業に移行
@ FusionPCBガーバビューワでの確認→ NG
・zipファイルを読み込ませたら以下のエラー発生
「ドリル ファイルが見つかりません。 Excellon 形式の NC ドリル ファイルが含まれていることを確認してください。」
→ .txtのExcellon 形式の NC ドリル ファイルは含まれているが?
fusion pcbサイトのガーバー要件を確認すると、ZIPファイルの総数は10となっていた。
以前は、8個でOKだったが?
その8個は以下
@ 部品面パターン:GTL
A 部品面レジスト:GTS
B 部品面シルク :GTO
C ハンダ面パターン:GBL
D ハンダ面レジスト:GBS
E ハンダ面シルク:GBO
F 外形線データ:GML
G ドリルデータ:TXT
それ以外は以下
H .dri
I .GBP
J .gpi
→ 全部zipにしても同じく駄目
8個のzipでエラーは出るが見た目は問題なさそう?
■ 250715
・何故か以前問題なかった「LCD-ADP-V1.zip」を読込ませてみたが、これでも同じエラーが出る??
何が変わったのか?
FusionPCBビューワの読込不具合??
・念のためEagle作業完了後のdrcを再度実行してエラー無いか再確認してみた。
→ 問題なし:DRC NO ERRORS
・この件、FusionPCBにメールで問い合わせてみた。
■ 250716
・夕刻、Fusion PCBから回答メール有り。
やはりシステムの問題で、このままオーダー可とのこと。
「ドリル ファイルが見つかりません」とか「アウトラインが見つかりません」のエラーは無視できるようだ。

・FusionPCBガーバビューワでの確認結果→ OK

<Fusion PCB発注作業続行>
・レジスト色は紫にしようと思ったが指定になかったので赤にした。
・4.9ドル/
・配送:OCS/ 4〜7日/ 配送料= 9.67ドル
・計:14.57ドル= 2171円 PAYPAL決済
※ お支払いは成功しました。ご注文を確認し、すぐにお発送いたします。
■ 250717
・PCB製造ステータスは生産中
■ 250721〜 250725
・ご注文は出荷されました。
通関の状況により、Webサイトで配送情報を追跡できるようになるまでに最大5営業日かかる場合があります。
2025-07-21 17:18:00:集荷完了
2025-07-21 17:37:00:データエントリー
2025-07-21 19:44:00:OCS施設への搬入完了
2025-07-22 23:52:00:発送手続き完了 BAOAN SVC SHENZHEN / CHINA
2025-07-23 18:00:00:通関申告中(フライト到着前の書類審査中または到着後の本申告中)
2025-07-24 10:04:00:佐川急便 城南営業所 お荷物をお預かり致しました。Status Updated by Delivery Contracted Company,Pickup
2025-07-25 足立営業所から配達に出発致しました。
2025-07-25 10:03;P板到着

■ 250726
・早速LCDを実装しようと思ったのだが、あるサイト(ヨッシーの備忘録)の関連記事を読んでいたら
気になる以下の記述が見付かった。
「ここで最初に失敗したのが、データバスの接続でした。説明書もろくに読まず、D0-DB0 .... D15-DB15 と繋ぎ、動きませんてした。
よく調べてみるとパラレル16bit接続では、DB1-8->>D0-7、DB10-17->>D8-15と接続しないといけませんでした。」
自分のパラレル16bit接続も同様(type1の素直な接続)にしてあります。
データシートによると、この接続を、パラレル16bit
type1と呼ぶそうです。
また1bitずらして接続する様式を、パラレル16bit
type2と呼ぶそうです。
フレキ部分にある抵抗4本で設定出来ないものかと、色々調べましたが、そもそも抵抗が、どこに接続されているかの図も無く断念しました。
パラレル16bit type2接続の変更することにしました。
別に急がないのでジャンパ修正(リワーク)はやめ、基板を作り直すことにした。(パッドからの引出しが難)
基板名「WQVGA-LCD-ADP-V2」
シルク追加:16bit parallel bus interface type2
・今回のCAD作業の方針
今迄の回路パターンを流用して作業を進める方法にする。
■ 250728
@ プロジェクト名:WQVGA_LCD_ADP_V2にして、ワークフォルダを作成
A WQVGA_LCD_ADP.sch→ WQVGA_LCD_ADP_V2.sch
WQVGA_LCD_ADP.brd→ WQVGA_LCD_ADP_V2.brd
にリネームして、@のフォルダ下に保存
B LCD_SQUARE_PAD_44PIN_REV1.sym作成

C LCD_SQUARE_PAD_44PIN_REV1.dev作成

D 回路図を立上げる。(自動的にボードも立上る。)
E LCD_SQUARE_PAD_44PIN_REV1.symをreplaceして回路図を修正
F ERC
2か所:Unconnected INPUT pin WQVGA_LCD1 IMO 及び IM1が出たが意図的に接続しないので承認 OKとした。
G NET LIST → OK
H Ratosnets Nothing to do!!
■ 250729
I DRC実行→ DRC NO ERROR

J シルク整理→ 既に済んでる。
K ガーバ作成作業に移る
@ fusion pcb向けの「cam」ソフト使用し作成
A 8つのファイルをzipしたフォルダを作成
B シルク太さをガーバ上で修正
C gerbvに読み込ませる。→ OK

L FusionPCB発注作業に移行
M FusionPCBガーバビューワでの確認→OK

・配送:OCS/ 4〜7日/ 配送料= 13.53ドル
・計:18.43ドル= 2853円 PAYPAL決済
※ お支払いは成功しました。ご注文を確認し、すぐにお発送いたします。
■ 250805〜(途中ブランク有り)〜 251103
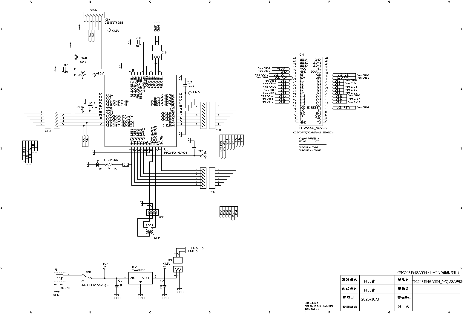
・コントローラのMCUは44pinの「PIC24FJ64GA004」にした。RB0〜RB15が連続して16bit PG*と共用ピンもあるが負荷が入力なのでOK
これで動作確認を進めていたが、どうも上手く行かない。
16bit Colorをコントローラ内部で、18bitに変換するモードを使って全画面塗潰し(各色で全画面クリア)試しているが、、色が合わない。
例えば、シアン色指定ではOKだが、オレンジ指定で塗潰すとすると、黄緑になる。(ORENGE :FC00h 黄緑色:BE80hに見える)
以下OKな例。

・ガンマ設定を変えて色変化を見てみたが、黄緑が少し暗くなるか明るくなるだけで色相の変化はない。
オシロでのバス検証でも特に問題は無い感触。

・16bit Color指定だと18bitに変換した時の精度に問題があるのかと思い、
ソフトウエアで、24bitカラーコード:RGB888 を RGB666に変換し、上位バイト:R->
下位バイト:G-> 上位バイト:Bの順に送出する関数で
試したりしたが駄目。
若干諦め気味。一時保留にした。
■ 251216
・だいぶ時間が空いてしまった
手元のPCにインストールされている、Arduino IDEで動作確認出来る。
ESP32-S3 N16R8 開発ボード DevKitC-1 が、秋月では販売中止になっていたが、
amazonで購入可能なようなので注文しといた。1639円+配送料:59円 visa決済
到着予定 2025年12月28日〜2026年1月5日
到着までハードについてとArduinoでの設定〜 Lチカ(RDB
LED)まで調べておく。
尚、水魚堂で回路図は既に作成済だった。(ESP32S3_カラーWQVGA実験_250731)
<ESP32-S3 N16R8
開発ボード>
DevKitC-1 WROOM-1 WIFI Bluetooth 開発ボード 溶接耐久性
ブランド名:Gkikirty
・このボードが届いたら、まずはLチカ(RGB_LED)を試す予定。
この関連記事は、次の実験テーマ162:「ESP32ボード事始め」に記載する予定です。
また、Lチカが終わったら、WQVGAカラー液晶モジュールのキャリー基板の動作確認を、
初めの計画通りヨッシーさんと同じスケッチで試してみます。
この関連記事は、新たなテーマとして、実験テーマ164にアップする予定です。
<回路図>
こちらからどうそ→ WQVGA-LCD-ADP回路図
WQVGA-LCD-ADP-V2回路図 (16bit
parallel bus type2)
PIC24FJ64GA004_WQVGA実験回路図
← 実験テーマ1に戻る TOP PAGEに戻る 実験テーマ162へ →