得意分野  
宅内電気配線設計からメンテナンス 新築・増改築における電気配線の設計をjw cadを使用して行い、照明機器等施工主様のご要望に応じて設計・工事・設置いたします。 尚その際、電力会社への電力施設の引き込み新設申請・変更依頼申請等もいたします。

左図は設計例ですが貼り付けの為
見難いのでPDF御参照ください

配線例1

配線例2
 
配線例1
 
   配線例2
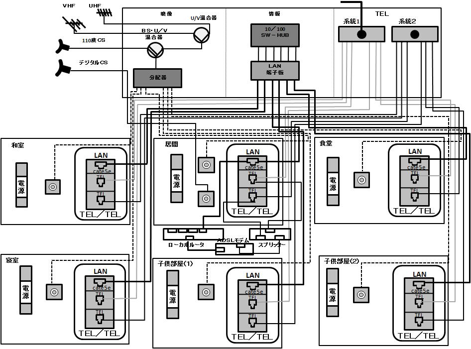
情報・通信・映像配線設計からメンテナンス    情報・通信・映像を一体化して、フレキシブルな配線設計をいたします。
とくにLANはどの部屋でもモデム・ルータが設置でき、どの部屋においても無線を使わず、イーサーケーブルでの接続ができ、信頼性の高いネットワークの構築となります。 新築時に将来を見越して、設備を整えて置くと、お子さんの成長、家族構成の変化に合わせレイアウトが楽にでき、 
セキュリティが確保できます。 
左図は設計例ですが貼り付けの為、
見難いのでPDF御参照ください。

情報・通信・映像配線例  

     リンク

 会社概要
現在計画中



   へ戻る
   

                           情報・通信・映像配線例