No−170 ハイブリッドMCプリアンプ 製作の記
金田式ターンテーブル制御アンプでドライブするテクニクスSP−10Mk2のモーターがついに桜材純正ターンテーブルベースに乗ったのがこの3月。以来レコードばかり聴いている。という訳ではないが、(^^; レコードばかり買っているよう。(^^;
ありがたいことに世の中ちょっとアナログブームなのか、未だに新品のアナログレコードがプレスされ発売されている。もちろん当地のCD屋にアナログレコードコーナーが出来たなどということはないのだが(^^;、インターネットで簡単にそれらが手に入る時代だ。また、中古レコード屋も相変わらずそれなりにしぶとく残っているし。
下はそういう訳で最近我が家にやってきたレコードたちのいくつか。上段は21世紀の新規カッティング&プレス盤。下段は中古品。ま、皆さん良くご存じのものばかりかと思われるが、上左2枚はMJ6月号でも紹介されていたシリーズのもの。これらのカッティングはアメリカだが、プレスは今や日本で唯一のレコードプレス会社である東洋化成(株)においてなされたものだそうだ。さらに上右2枚はその東洋化成(株)においてカッティングされプレスされた純国内盤だ。(訂正:日本の自衛隊は少なくともカッティングは東洋化成ではないようで(^^;)まだ我が国でレコード製作が可能とはなんとも嬉しいことだ。(余談だが、同社のカッティングエンジニアの手塚和巳氏が最近とある雑誌に紹介されていたので、ご存じの方も多いかも。)うち右の“日本の自衛隊”は某筋においては非常に有名なものだろう。帯まですっかり昔のままのようで中に入っている解説書も全くオリジナルと同じもののよう。レコードはもちろんオリジナルでなく新規にカッティング&プレスされたものなのだが、これをついでにスピーカーマトリックス4チャンネルにして聴くと部屋の空気がすっかり富士総合演習場に変わってしまう。という、今や死語となった“生録”系の貴重な音源だ。
で、長年の懸案だったターンテーブルも出来上がり、この際だ、作ってやるか。と、一気に製作意欲が湧いてきたものが今ひとつあったのだった。
これらレコードの音楽再生可能性をさらに追求すべく・・・、と言うわけでもないのだが、何故かいつの間にかNo−170ハイブリッドMCプリアンプの部品が手元に集まってしまっていたである。 (^^;
と言う訳で、No−170ハイブリッドMCプリアンプ。
すでにDCアンプシリーズ30周年を勝手に記念してNo−170ハイブリッドCDラインアンプは製作済みであるわけだが、これまでのわたしの少ないアンプ製作経験からしてもMCイコライザーはそう簡単ではない。し、CDラインアンプではドリフトが大きくオリジナルでは不必要とされているAOCを付加しなければならなかった。今回もまたでは、と、その辺ちょっと気がかりだし、実は他にもちょっとした経験をしているのだが、それらの経験からすると要するに真空管はなかなか気むずかしそう・・・。
果たしてNo−170ハイブリッドMCプリアンプ、上手くいくかな。(^^;

![]() |
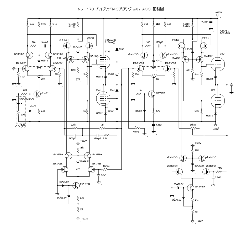
早速基盤製作にかかる。 サブミニチュア管が4本。その背の高さ以上のサポーターを用意して製作に掛かれば基盤の製作は純半導体アンプの場合と全く違いはない。 2段目差動アンプの足の配置がオリジナルとちょっと違う。と、これで気づく方もいないと思うのだが、実は違うのである。(^^; オリジナルはもちろん上の回路図の通り2SJ103BLだが、ここに手持ちの2N5465(モトローラ)を起用してみたのである。何故か?(^^; 実はJ103は音がいまいち、という声なきにしもあらず、で、ならば切れ味鋭い2N5465を起用してみよう、という訳。 < 大丈夫か(−−) |
![]() |
おおっと。カップリングコンが・・・。 (^^; 何せSE0.1uFは超高価。成功するかどうか分からないのでとりあえずV2A0.1uFで様子見しようかと。ハハ(^^; ついでに大したことでもないが、入手の都合上HZ13C2を05AZ13Yで、HZ9C2をHZ9C1で代用している。 他はオリジナルどおり。 |
![]() |
出来上がった基盤を接写してみるの図。 |
![]() |
一番奥のケース側板に真空管のヒーター用6.3Vレギュレーター基盤が付いている。今回は真空管が8本でヒーター電流もそれなりになるのでレギュレーターICはオリジナルに従いLM338だ。 こうしてケースの穴あけ加工をし、基盤をつり下げて配線作業を行へば・・・ |
![]() |
あっという間に製作作業は終了したかのよう。 闇に灯るオレンジのヒーターは暖かく、見方によっては妖しく、奏でる音への期待をいやがおうにも高めてくれる。 とまぁ、簡単に終わったようだが、2段目に2N5465を使ったこともあってか、終段アイドリング電流を規定値に収めるために2段目差動アンプの共通ソース抵抗は所用の調整を要した。 が、今回は調整を要したのはそれくらいで、何のトラブルもなく一発で上手く動作してくれたのであった。そのためあまり書くことがない。 のだが、一つだけ。終段アイドリング調整のため5702,5703のプラス側プレートと+Vcc配線を外して10Ωを間にかまして終段アイドリング電流を計るわけだが、イコライザーの方は基盤配置・配線構成からしてこの際5702プレートとRD56Fへの電流経路の分離が困難だ。だから、RD56Fへの電流も計算した上で5702のプレート電流値を調整しないといけない。 そのほかは、怪しい挙動もなくオフセットもアイドリング電流も上手く調整できて不安定さもなく、MCプリには珍しく一発で上手くいったよう。(^^) とりあえず・・・(^^; |

と言うわけで、電源部はNo−170CDラインアンプ用を流用することにして、No−170MCプリアンプは上手く完成したのだった。(^^)
で、要点は勿論音である。
金田式DCアンプを模倣すること30有余年であるが、ハイブリッドとはいえ真空管を起用したMCプリアンプの製作はわたしにとっては初めてのことなのである。いや、金田式に限らず、真空管プリは人生初めての経験だ。当初よりこれを純半導体式MCプリアンプの代表であるNo−168MCプリアンプと聴き比べてみようではないか、というのがそもそも製作意欲を高めた動機なのだ。
う〜ん。これでハイブリッドの方が圧倒的に良かったら困ってしまうわなぁ。パワーアンプも真空管式にしなければならなくなるかも・・・(^^;
で、2つのMCプリアンプを取っ替え引っ替えしていくつかレコードを聴いてみたのだった。
![]() |
![]() |
![]() |
う〜ん。よう分からん。(^^; (爆)
どちらも抜群の分解能で演奏の熱気をビシバシと伝えてくれる。音場の奥行き間もクリアさも発音源のエネルギーの充実感も甲乙付けがたい。
う〜ん、駄耳のわたしには違いを聞き分ける能力はないのか。はたまた、もともとどちらも同じレベルの音なのか。(^^;
が、・・・
どうも最終的には新たに作ったNo−170ハイブリッドMCプリに小差で軍配が上がりそう・・・
なのは、比較するとNo−168半導体MCプリが綺麗ではあるが淡泊に聴こえる感があり、No−170ハイブリッドMCプリにより音色に艶やかさや厚みを感じ、結果実在感がより深いように感じるからなのであった。
う〜む。No−170ハイブリッドMCプリは今のところカップリングコンデンサーはV2Aなのだが、それにもかかわらず勝利して良いのだろうか。
違いは電源によるものか、やはりC960と5702,5703の違いによるものか、はたまた2段目のJ103と2N5465の違いによるものか、それとも聴き手の勘違いによるものなのか。(爆)
と、真相はいまいち不明だが、No−170ハイブリッドMCプリアンプの方には真空管が故と思われる問題がなきにしもあらずでもあり、最終結論はとりあえず持ち越し状態といったところ。と言うべきか。
2005年7月10日
(第1世代も加えて聴き比べてみる)
ハイブリッドとはいえ私としては初めて真空管を使用したMCプリアンプを製作したところである。この際ちょっと比較試聴してみるのも楽しいのではないかしらん。(^^)
あまり耳は確かでないので、まぁ、要するに余興。(^^;
で、登場願ったのは第1世代のMCプリアンプ。K式第1世代といえば、抵抗負荷2段差動アンプ+PPエミッタフォロアー。+超高速レギュレータ電源。最終的にはネオハイトップ乾電池を電源としたスイッチングレギュレータ+超高速PPレギュレータまで搭載された。そのほぼ最終型を復刻したのが“No−69(+82)最新超高速SWレギュレーター採用DCプリアンプ”。

本当はネオハイトップを使うべきなのだがこれはもう叶わない。ので、鉛シールバッテリーが電源である。この点で本来の音が出ていない可能性はある。が、これはもうやむを得ない。
20年以上も前のMCプリアンプということになってしまうのだが、果たしてその奏でる音は最新のMCプリアンプには遙かに及ばないのだろうか。と思いつつも早速レコードに針を降ろす。
・・・・・・。
実に良い音だ・・・。(爆)(^^;
これだけを聴く限りではなんの不満も感じない素晴らしい音ではないか。という感じがする。エネルギーがこもった充実した音で、しかも非常に解像度が高く、空間も実にクリアだ。
う〜ん、これなら最新のプリアンプを作る必要などないのではなかろうか。
な〜んて。(^^;
まぁ、ここで終わってしまってはしょうがないので、続いて最新のNo−170ハイブリッドMCプリアンプに交換し、同じレコードに針を降ろす。
・・・・・・。
う〜ん・・・豊か、というか豊饒というか。やはり違うわなぁ。遙かに違うというほどではないとは思うが。(^^;
充実した音でしかも非常に解像度が高く、空間も実にクリアである上に、色彩のコントラストが深く鮮やかで、何とも言えない豊かな雰囲気が加わっている。空間の立体感も一層強まって、そして情感が一層熱いのだ。
これに比べるとNo−69(+82) 最新超高速SWレギュレーター採用DCプリアンプの空間表現はカチッとクリアだがやや平板と言わざるを得ない。
この情感の熱い感じはアンプ終段素子がフォロアでなく接地動作である完全対称の真骨頂だろうか。
と、思いつつ続いて同じ完全対称のNo−168半導体MCプリアンプに交換して、またも同じレコードに針を降ろす。

・・・・・・
う〜ん・・・、これもエモーショナルで熱い。やはり完全対称のなせる技だろうか。そして空間の立体感も強い。この辺はNo−170ハイブリッドMCプリアンプと良い勝負だ。と思う。
が、はやりハイブリッドとは違ってこれはオール半導体だなぁ・・・という感じもする。
のは、第1世代のNo−69(+82) 最新超高速SWレギュレーター採用DCプリアンプが持っている、エネルギーがこもった充実した音、しかも非常に解像度が高く、空間も実にクリアという特徴をさらに突き詰めたような解像力、パースペクティブを感じるからである。
結局のところ、私の聴く限りでは第3世代のMCプリアンプは第1世代のMCプリアンプの延長線上にあるという結果だった。当然か。(^^;
その延長方向は空間のパースペクティブや情感の深さだと思うのだが、ここのところでハイブリッドは真空管の威力か何とも言えない豊かでリッチな雰囲気を出すので、これに比較するとNo−168半導体MCプリも淡泊に聴こえてしまうことがある。しかしながら、半導体の生真面目な高解像度も正しい音であるように思え、それはそれで得難い魅力のように感じるのである。が、どっちが聴いていて楽しいか、と言えばハイブリッドかなぁ・・・。
と、いう感もあるが、結論としては、わたくし的にはNo−170ハイブリッドMCプリアンプとNo−168半導体MCプリアンプはそれぞれ魅力的な個性を発揮しつつ、共に並び立つ存在のようだ。
で、これらを聴いた直後では、No−69(+82) 最新超高速SWレギュレーター採用DCプリアンプの音には深みや充実感といった点でやはり多少の物足りなさを感じざるを得ないようだ。まっ、直後でなければ満足してしまいそうなのだが。(^^;
とは言え、真の真空管MCプリアンプも試してみたい気にはなっている。やはり音は自分の装置で聴いてみないとよく分からないし。が、真空管は少しばかり気むずかしいのがちと難点。といった感じなので果たして踏み出せるか、は未知数。(^^;
と、まぁ、今日のところはそうであった。ということで。(^^;
2005年7月17日
(問題は如何に? ハム編)
さて。ハイブリッドとはいえ我が人生において初めて製作した真空管MCプリアンプ、なかなかの音を出してくれる事が分かった。
ので、これが分かったところで、それじゃぁいくつかの問題点の解決に掛かろうかしらん。(^^)
な〜んて、果たして上手くいくかな。(^^;
まずはハムだ。
ハムとはやっかいなものだ。これが出ているともうそれだけで音楽が破壊される。多少のハムなど楽音が出てしまえばマスキング効果で分からなくなってしまうのではあるが、大音量が出ている場合においても音場背景のノイズレベルの低さが透明感や立体感を醸し出す上で重要な要素なのだ。やはり耳では聞き逃すようなハム音のレベルでも満足度が下がってしまう。し、弱音時にはそれが目立って気になるので音楽に集中できない。だからそれはない=0にこしたことはないのである。当然だ。が、AC電源を使う以上この問題は必然的に潜在しているものなので、要はそのレベルなのだが、わたくし的には最大でもMCプリの初段2SK97が発するシャーというホワイトノイズ程度に収まって欲しいところだ。
で、今回のNo−170MCプリの場合なのだが、これのハムの出現の仕方は、私のこれまでの半導体DCプリアンプの製作経験からはおよそ考えられないものだったのである。どういうことか? ハムが時間の関数であるかのごとくに振る舞うのだ。な〜んと。 ← これって真空管の世界ではよくあることでしょうか?
我がNo−170MCプリアンプ、製作後初めての音出しの瞬間にはハムは出なかったのである。オール半導体のNo−168MCプリにおいてはその製作記に書いたとおり、初段定電流回路のHZ6C2からハムが混入したため、電源部の電解コンの容量を増加し、さらにHZ6C2をより動作抵抗の低い、いにしえの銀帯05Z6.2Yに交換することによって解決したのだが、半導体の場合は何かを物理的に変えない限りこういう状態(ハムが出るならハムが出る状態)は電源オン時からオフ時まで一定で不変なのが普通である。だから、No−170MCプリの場合も最初ハムが出なかったので安堵したのである。実は168の経験からして170も168と同じようにイコライザー初段のHZ6C2からまたハムが混入するのではないかと危惧していたのだ。だから、170MCプリの初めての音出しの瞬間は大いに安堵したのであるが、残念ながら音出しから数十分後に何故か右チャンネルからブーンとハム音が聞こえてきた時には大いに戸惑い、落胆も一層大きかったのであった。あ〜あ、なんだこりゃ・・・(嘆)
ところがこの右チャンネルのハム、我慢して聴いているとさらなる時間の経過と共に消えてしまったではないか。えぇぇぇ・・・?なんと不可思議な・・・
が、謎はこれだけに終わらない。これで右チャンネルのハムが収まったと思ったら、別の日今度は電源オン数分後から今度は左チャンネルからブーンとハム音が出てきたのである。が、これもまた数十分後に収まった。
ということが何回か続いたので、当初はこれは真空管のエージングの問題ではないかと考えたのである。だから24時間連続運転のようなこともやってみた。
が、やはり電源オフして冷えてしまうと電源オン後にハムが出る。しかも、どうもエージング効果で状況が良くなるというよりどちらかというと状況は悪くなるようで、時間の経過と共に消えたと思ったハムが復活したりなど、ハムが出ている時間の方が長くなるようなのである。
こりゃ駄目だ。で、少し考えることにした。時間の関数のような振る舞いは要するに温度の変化によるものだろうと。この場合の物理的変化は温度だろうて、という訳だ。何せ真空管は高い温度を発する。最も怪しいのは真空管それ自体だ。であれば、と、これを確かめるためにハムが出ている状況の際にエアダストクリーナーで真空管に圧縮空気の風を送ってみたのである。勿論真空管を冷却してみようという訳。
結果は顕著だった。イコライザー終段の5702をこうやって冷却してやるとみるみるハム音が小さくなり消えてしまうのだった。しばらくしてまた5702の管温があがってくると共にまたブーンとハム音が戻ってくる。また、エアダストクリーナーで冷やしてやるとまたハム音が消える。
あ〜〜、なんと。これは困った。ハムの原因が5702自体だとした場合、我がNo−170MCプリでハムが出て他の方の作例でハムが出ないとなれば、5702のばらつきや我が5702の不良を考えなければならず、そうなると解決策は5702を交換してハムの出ない5702を探して実装することだということになる。こういうことになるとソケットレスのサブミニチュア管のメリットは大いなるデメリットだ。ソケット式の真空管と違っておいそれと交換できない。
諦めて5702の交換をしようかと思いつつも、片チャンネルならまだしも両チャンネルからハムが出るということは交換してもまた同じである可能性も高いということだよなぁ・・・などと優柔不断に170MCプリのケース内基盤を眺めている際に、ふと、こいつはどうだろうと思ったのが5702のスクリーングリッドに電圧を与えているツェナーダイオードRD56Fだった。試しにこれにエアダストクリーナーの圧縮空気を当ててみたのだった。
結果。えぇぇぇぇ・・・・・・。ハムが消えるのであった。
な〜んだ。またお前だったのか! No−168MCプリの際のHZ6C2に対する思いが蘇える。真空管5702に圧縮空気を送ってハムが消えたので5702が原因かと思ったのだが、真空管にだけエアーを吹きかけるのは不可能でその近くに実装されているRD56Fにもエァーは掛かるのである。原因はもとよりこいつの方だったのかもしれないと。
ということは、こういうことか。要するにハムの混入ルートは、電源→RD56F→5702のスクリーングリッドということである。電源は商用ACをWE412Aで整流しただけの非安定化電源であるから当然リップルを含んでいる。このリップルは5702のスクリーングリッド電圧を作るための33kΩ+RD56Fにおいてもそのインピーダンス比で分圧されてRD56F両端にも微少ながらリップル電圧を発生させる。これが5702のスクリーングリッドからアンプ信号経路に混入するのだ。
RD56Fの内部インピーダンスが温度上昇と共に上昇するのか、あるいは5702のスクリーングリッドの感度が温度上昇と共に敏感になるのか、またはその両方によるのか、いずれ我がNo−170MCプリアンプのハム混入原因はこのあたりにある。と見定めたのであった。
対策としてはまずRD56Fを取り替えてみた。RD56Fの内部インピーダンスにもばらつきがある。たまたまそれが高いのに当たっていたのかもしれないではないか。それにRD56Fの入れ替えならなんの造作もない。のでやってみたのである。ついでにこの際その実装にも留意し、空気による放熱効果を高めるべく基盤から5mm程度浮かして取り付けることにした。温度上昇をなるべく押さえてやろうというわけだ。
が、駄目だった。状況は変わらない。こうなると大変でも5702を交換してみるしかないか・・・
とは考えなかった。どうも対症療法では無理のようだと見切りを付けた。根治療法以外にあるまい。
って、まぁ原因を見定めたのだから当たり前なのだが・・・(^^;
それは、RD56Fの両端に生じる微少なリップルをもっと減少させることだ。
一番良いのは5702のスクリーングリッド電圧発生用回路をレギュレータで安定化することだ。が、このためにまた複雑なレギュレータを作るというのはいかにも大げさだ。大体33kΩ+RD56F自体レギュレータである訳だし。
ならば、回路はこのままに33kΩを大きくすればよい。電源のリップルはこの抵抗値とRD56Fの内部抵抗値の比率で分圧されるのだから、33kΩが大きくなるほどにRD56Fの両端に生じるリップルは小さくなる。が、33kΩはRD56Fに流す電流値も規定している訳なのでこれを無視して抵抗値をむやみに大きくすることは出来ない。
となると答えは一つしかない。流す電流値は任意に可変出来てかつ内部インピーダンスが非常に高い回路。それは定電流回路だ。
それには横型FETを使うもの、TRを使うものなど考えられるのだが、ここでは耐圧100V程度は欲しいので横型FETでは無理だ。また、TRではそのための付加回路で回路が複雑になる。とても基盤には乗らない。ので33kΩの抵抗と単純に置き換えればすむ定電流ダイオードを起用することにしたのだった。
定電流ダイオードは金田式では使われたことはかつて一度もないだろう。私も初めてなので定電流ダイオードにはどういうものがあるのかサーチしてみたところ、なんと今や石塚電子の1シリーズぐらいしかないようではないか。昔はもっとあったような感じがするのだが。
まっそれはともかく、RD56Fの電流値設定がオリジナルでは2mA程度なので、取り敢えずこれに合わせることにして定電流値が2mAであるE202を入手し33kΩに置き換えたのである。都合が良いことにE202の耐圧は100Vだ。まず間に合う。許容損失は300mWなので余裕はないがまぁ大丈夫だろうと。
結果、・・・・・・大成功\(^○^)/
ハムは目標である初段2SK97が発するホワイトノイズ程度に収まって、ヘッドフォンで聴いて無音時にもほぼ気にならないレベルにまで沈んだのであった。時間と共にこれが変動するなんてことも勿論ない。
良かった。良かった。目出度し、目出度し。(^^)
肝心の音には変化はないのか? なのだが、私が聴く限りは以前と同様の印象で、低域はかえって弾力を増して全体的にも張りが出て、より好ましくなったように感じられるのだった。(^^)

エアダストクリーナーがなくとも、ハムが出ている際にケース天板を開けて上からうちわで基盤をあおいでみるとハムが消えるというような場合は、5702スクリーングリッドからのハムの混入によるものである可能性が高いと思われるので、No−170について同様の症状でお悩みの方は試してみられても良いかも。
とは言っても駄耳の私のことでもあるし、K先生はこんなことはなさっていないので、ひとつの解決可能性として試してみられるのも良いかも、という程度のことで。(^^;
と、No−170ハイブリッドMCプリアンプのイコライザー終段5極管5702のスクリーングリッド電圧付与回路を変更することになってしまったついでに、この回路を巡って余計な話しを一つ。
周知の事実だと思うので今更なのだが、このNo−170ハイブリッドMCプリアンプのイコライザーは半導体MCイコライザーと同様の回路形式を有しているのだが、実は半導体式のそれと違って“理想NF型イコライザー”ではない。
K先生は「本機では出力段にはあえて電流帰還をかけず、5極管そのものの特性を素直に生かすことにした。真空管独自の音楽表現力を大事にしたかったからである。」と書いておられるのだが、では、あえて終段に電流帰還をかけないためにその出力インピーダンスが所用の高さにならず、そのため理想NF型イコライザーが実現していないのかと言うとそうではない。話は逆で、No−170の回路ではもともと理想NF型イコライザーが実現しないので、終段5極管に電流帰還をかけて出力インピーダンスをより高くすることに意味がないだけでなく、電流帰還で失うgmがもったいないほどgmをゲインに回す必要がある。というのが正解なのだ。
何故理想NF型イコライザーが実現しないのか。それはまさにこのスクリーングリッド用の33kΩ+RD56Fのためなのである。
回路で明らかなようにこれがイコライザー出力にパラの負荷となっているのだ。これがパラになっている限り、たとえ出力段を高い電流出力状態にしてもその負荷は33/2=16.5kΩ以上に上がることはなく、だからオープンゲイン自体がRIAA特性になることはあり得ないのだ。この場合理想NF型イコライザーはいかにアンプの出力インピーダンスを高めても実現しない。
ということをシミュレーションで観てみる。
これはNo−168MCプリのイコライザーのイメージ。出力にパラに入っている820kΩはフラットアンプの入力抵抗だ。これにRIAANFB素子がパラにつながっている。
オレンジのシンボルは電圧利得プローブであり、イコライザー出力のオープンゲイン周波数特性を計ってくれる。赤のシンボルも電圧利得プローブであり、これでNFB信号の周波数特性を計る。緑のシンボルは電圧位相プローブでありNFB信号の位相特性が分かる。
理想NF型イコライザーにおける理想は、NFB信号の周波数特性がフラット(=NFB量が周波数に関わらず一定)であり、その位相が周波数に関わらず0°であることである。
さて、現実はどうか。

オレンジがイコライザー出力のオープンゲイン。低域ほどオープンゲインが大きくなっている理想NFB型イコライザーとしての特性を示している。
が、低域におけるオープンゲインのアップが完璧な理想状態ではなく、このため赤のNFB電圧(NFB量)が低域で8dB以上低下するとともに、緑のNFB電圧の位相も60Hz付近で+30°程度盛り上がっている。この理由の殆どは出力にパラに入っているフラットアンプの820kΩの入力抵抗なのだがこれはやむを得ない。
が、総体的に見ればNFB量が可聴帯域ではほぼ一定という位相NF型イコライザーの特徴を良く備えており、これでも十分に理想NF型イコライザー状態だと言えるだろう。
No−170MCプリアンプの場合は、これに次のイメージのように33kΩ&ツェナーダイオードが出力と電源間につながった状態になる。
この場合はどうなるだろう。

このとおりだ。
上の場合と違って、低域ほどオープンゲインが上昇するということがなく、オレンジのとおり可聴帯域のオープンゲインはほぼ一定という特性になる。
従ってNFB量は赤のグラフのとおり高域ほど多くなってしまう。
その位相も可聴帯域全体で進み位相のふたこぶラクダ状態だ。
この辺は、先生の音楽を愛する電子回路上巻第3章でも詳しく解説されているところなのだが、これはまさしく電圧出力アンプの状態だ。当然理想NF型イコライザー状態ではない。
この場合は、もともと少なくなる低域でのNFB量を適量確保するためのオープンゲインの確保と、そうした場合に必然的にNFB量が多くなってしまう高域でのNFB安定度の確保という命題を両立することが必要になる。クローズドゲインの設定にもよるがこれを1kHzで40dB程度とすれば低域でのオープンゲインは80dB程度は欲しい。この場合のNo−168のイメージでももう少しオープンゲインが欲しい感じだ。
このためNo−170MCプリでは、出力段の電流帰還を廃することによって低域に必要なオープンゲインを確保し、高域のNFB安定度についてはRIAANFB回路の1500pFに3.6kΩの高域帰還制限抵抗を入れることにより、これらが両立されている、ということなのだろう。
ちなみにこの辺の事情はハイブリッドMCプリに限らず、真空管MCプリでは皆同じであり、その意味ではNo−170ハイブリッドMCプリはその回路形式こそ半導体MCプリのようであるあるけれども、RIAAイコライザー機能そのものからすると真空管MCプリの範疇にあるということになるだろう。
このような状況を招いているのが5702スクリーングリッド用の33kΩ&RD56Fだというのが実に面白い、し、何故K先生がこの状態を選ばれたのか、という点はいろいろ想像が可能なところだ。(^^;
で、この33kΩを定電流回路に置き換えるということは、No−170MCプリのイコライザー機能の内容を改変してしまうということでもあるのだ。
定電流回路とは理想的には電流源であるから、上の回路の33kΩを2mAの電流源シンボルに交換して同様にシミュレーションを行ってみる。
どうなるだろう。

結果は予想通り。最初のNo−168MCイコライザーの電流出力状態に同じになった。理想NF型イコライザー状態が実現している。電流源は内部インピーダンスが無限大であるから当たり前の結果だが。(^^;
という訳で、5702SGから混入するハムを退治するための今回の対策はNo−170MCプリイコライザーの理想NF型イコライザー化までもたらしてしまうものなのである。
であれば、これで音の変化をもたらさない筈はない。のだが、わたくし的には上で書いたとおり基本的には以前と同様の印象で、低域はかえって弾力を増して全体的にも張りが出て、より好ましくなったように感じられるのだった。(^^)
え〜(−−)、現実の定電流ダイオードE202の内部インピーダンスは無限大ではないのだからそもそも理想NF式イコライザー状態など実現していないだろうに。単なる聴き違いだろ。という疑問も当然に湧いてくる。
ので、E202の規格を見るとその内部インピーダンスが最低値で250kΩともあり、この際、定電流ダイオードのインピーダンスの増減がどのように利いてくるのかをシミュレーターで観てみよう。
電流源I1、I3にパラの抵抗R20とR21が電流源の内部インピーダンスを表現するもので、これを33kΩ、100kΩ、200kΩ、400kΩ、800kΩ、1.6MΩと変化させた場合のパラメトリックシミュレーションである。

グラフ一番上のグループがオープンゲインのグループであり、抵抗値の上昇と共に下から上へとグラフが対応している。一番下のグループはNFB電圧(量)のグループであり、これも抵抗値の上昇と共に下から上へとグラフが対応する。真ん中のグループがそのNFB電圧の位相で、これは抵抗値の上昇と共に上から下へとグラフが対応している。
これを見る限り、抵抗値=定電流ダイオードの内部インピーダンス値が33kΩや100kΩでは電圧出力状態であるが、200kΩを越えればほぼ電流出力状態で理想NF型イコライザー状態に近いと言って良さそうだと思える。のだがどうだろう。
という訳で、今回のハム退治に伴う33kΩのE202への交換は、No−170ハイブリッドMCプリアンプを理想NF型イコライザーに改変するという結果ももたらすものなのだ。とは、実を言えば当初から目論んだものなのだが、結果、ハムは目論見どおり消滅し、音も心なしか良くなったように思える。
のはやはり手前味噌だろうか。 5702に電流帰還掛けていないし。(爆)