このページでは、バスレフ形スピーカーを作ってみましょう。


このタイプが今もっとも一般的で、自作する場合も一番手頃だと言えるでしょう。
バスレフ形スピーカー(位相反転形スピーカー)は、低音増強用に丸や角形の共鳴管(ダクト)を付けたスピーカーです。「第1図」
音波が空洞と筒で共鳴する現象を利用したもので、ユニットの背面からの音を空洞(箱の容積)とダクトで共鳴させて、低音域の量感を補うものです。
密閉箱に比べると低音の量感が得やすい上に、箱の大きさについても、自由度が高いスピーカーです。

その原理を少し書きます。
「第1図」のバネをもった手をゆっくり上下させると、バネは伸び縮みせず、オモリが手と同じ方向に動きます。
今度は手を早く動かすと、バネが伸び縮みして、オモリは動きません。
ここで手を動かすスピードを変化させると、あるところで手とオモリが反対方向に動きます。
手を上げるとバネが伸びオモリが下がり、手を下げるとバネが縮みオモリが上がるのです。
この状態ではわずかな手の動きでオモリが正確な周期で大きく動きます。
手はスピーカー・ユニットの振動板、バネはエンクロージャー内の空気の弾性、そしてオモリがダクト内の空気の重さと考えればいいわけです。
つまり、バスレフ形・スピーカーは、ある特定の周波数の音だけ位相反転してダクトで共鳴して、それ以下の周波数は筒抜けで、 振動板全面の音と逆位相のままだから打ち消しあって聞こえない。
ぎゃくに逆にそれ以上の周波数では、オモリが動かないのと同様に、ダクトの中の空気も駆動されず、耳を付けてもモゴモゴした低音だけしか聞こえない。
そのように振動板の後ろから出る音をうまく利用して、低音の再生能力を高めるスピーカーです。
「第3図」の (b) の特性が理想的です。
第1図
第2図
第3図

ダクトの開口面積は、振動板の
面積の1/2が目安です。
第4図

製作例
第5図
バスレフ箱の製作例です。テレビの横でも、パソコンの横でも置けるように防磁形(磁気漏れのない)ユニットで作りました。「第5図」
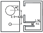
「第6図」がスピーカー内側の構造及びサイズ、「第7図」が板のけがき図です。
あくまでも1例ですので寸法も正確に同じに作る必要はありません。
使用材料は、15mm厚の米松です。奥行き、幅、高さ、どの寸法も使う板のサイズで切りやすいように作ってかまいません。
スピーカー・ユニットは fostex の FE87 です。
第6図

Eは、12mmの丸棒を90mmに切って使用します。
第7図

組み立て方
両サイドの板を最後に取り付けるようにしてBOXを作ります。
ここでは、ダクトの出口に12mmの丸棒を押し込んでいます。丸棒の太さを変えることで低音の出方が変化します。
聴きながら、いろんな大きさを試してみて、良い太さを選んで最後にボンドで固定して下さい。
また、テレビに使ったりするつもりなので、背面を見て分かるようにターミナルは付けずケーブルを直接出しました。


【まとめ】
バスレフは、低音豊かな、小型のスピーカーも作れます。
容量その他も自由度の高いスピーカーで、自作に1番適したスピーカーかも・・・?
ダクトの奥行きなどをいろいろ試してみて丁度良いところを探すのがベストです。
工作するにあたっての注意事項などは、ヒントのページをご覧下さい。