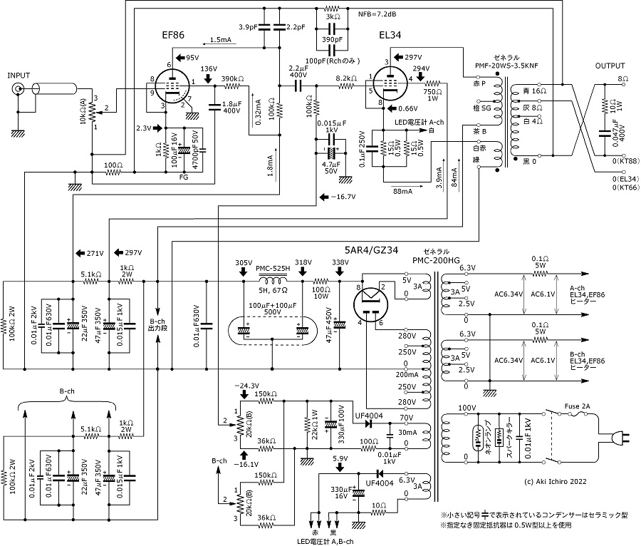
秋一郎製作(2021年発表、2022年改良)
EL34 5極管接続シングル・パワーアンプ
2022年に出力管負荷を変更するなどの改良を行ないました