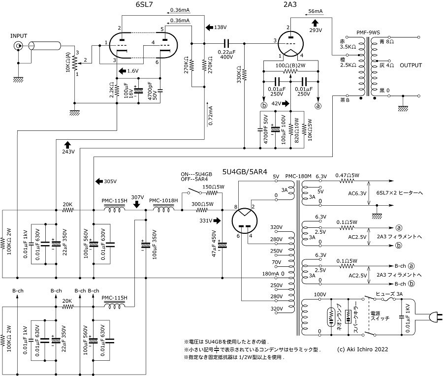
秋一郎製作(2020年)
2A3 無帰還シングル・パワーアンプ
2022年4月の最新版