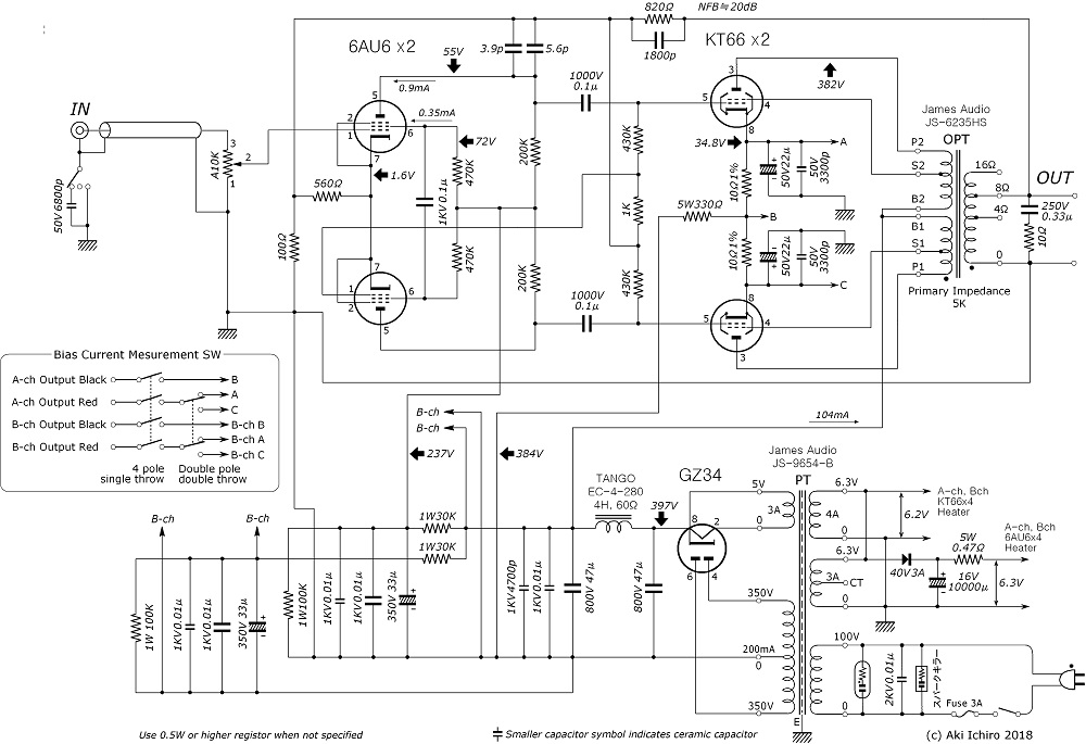
秋一郎製作(2018年)
KT66 UL接続 Quad-II´型プッシュプル・パワーアンプ回路図
注:2018年11月に可聴外高域の安定性を高めた最終版