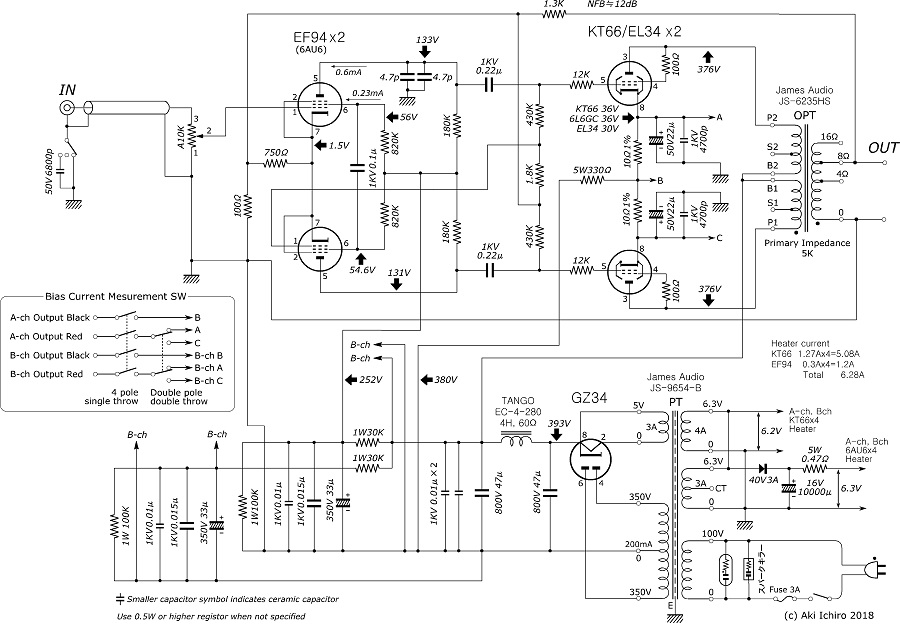
秋一郎製作(2016年)
KT66 3結 Quad-II´型プッシュプル・パワーアンプ回路図