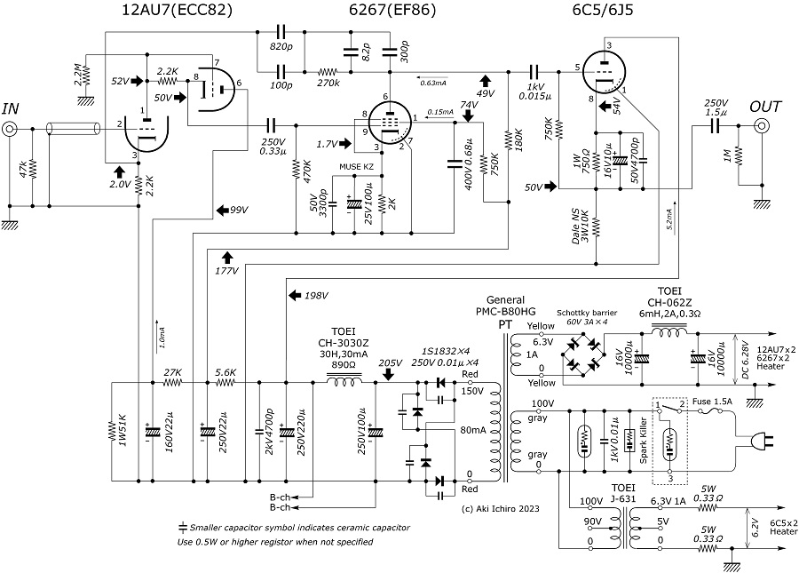
秋一郎製作(2019年)
EF86 NF型フォノイコライザ 3号機 回路図
2023年に微調整をほどこした最新版