秋一郎製作(2023年)
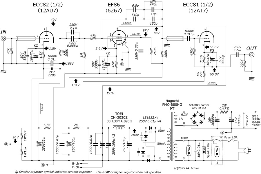
EF86 NF型フォノイコライザ1号機改 回路図
2025年7月、ハムノイズ低減のためにB電源を改良しました。