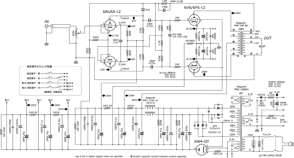
秋一郎製作(2016年)
6V6/6F6 Quad-II´型プッシュプル・パワーアンプ回路図(2018年10月最新版)