33FTJ^}[^[Z[[
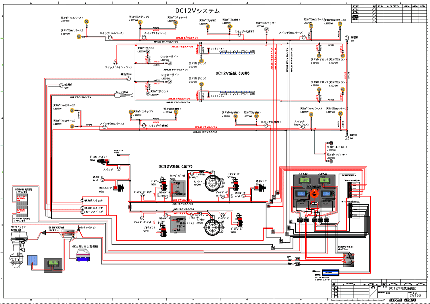
ιζ [^[Z[[OΟ\z »’dli·£όVdlj bθεvΪ KvnΝΘό nCY fbLCY κΚzu}iDO@dlj ϊΊΰzu} ‘fΚ} DΜ\’} fbL\’} nChΑ«ir ΚΘόj Ίΰzuϊ’ NO1,2o[X’ NO3,4o[X’ CTA^]Θ’ M[A[NVbvA»ΟΊ’ RΏyΡzΗn} @Φδ~} DC12VdCn} DC24VdCn} AC110VdCn} dCn} °ΊzόzΗ} Vδzό~έ} No1&2o[Xzu} No3&4o[XyΡOTzu} Ίΰ^]ΘACTAΚH M[AμΖζζA»ΟΊ