7mトリマランボート
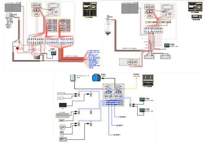
企画(はじめに) ハル船型(排水量型) ハル船型(滑走型) ハル形状(MaxSurf) ハイドロ特性(排水量等曲線) ハイドロ特性(GZカーブ) 横安定特性(片舷2名) 必要馬力曲線 外観予想(MaxSurf1) 外観予想(MaxSurf2) 一般配置図(プロトタイプ) 一般配置図(多目的ボート) 一般配置図(フィッシングボート) 一般配置図(海上タクシー) 中央横断面 室内配置(プロトタイプ) 船体構造図 デッキ構造図 配管系統図 機関、機器艤装図 電源系統図 電気系統図 電源装置図 配電盤 暫定主要目(PROTOTYPE)